产品中心
主要产品七大类六十余种规格
DS型连续斗式输送机

★输送物料温度高,容量大,块度大和磨琢性强。

★水平或是倾角≤60度输送。

★输送距离远:单机可达80m以上。

★输送能力大:可满足19m/h- 520m/h。

Large conveying capacily: 19/h- 520/h

★以滚动磨擦代替滑动磨擦,降低阻力55-65%。

★牵引链、料斗和行走轮三部分可自由装卸。

★物料温度≤600°C。

★物料粒度≤200mm。

★物料容量1.0-2.0t/



技术规范 型号说明 产品结构
技术规范

22BDA08C-2D91-49c1-918C-E9C841B96FC6 (1).png

型号说明

632A7F3F-19D3-4e8d-AEBD-9584CFB6408A (1).png

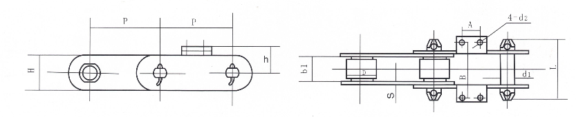
产品结构

1BF17382-B461-428f-8861-5291A04714F2.png

FBB6C975-21AC-41f0-852A-5CF5E282E7DE (1).png

版权所有 浙江省AK网页版_ak(中国)官网 Copyright © 2022 All Rights Reserved 浙ICP备07504362号-1号 浙公网安备 33018202000101号
技术支持:鼎易科技
版权所有 浙江省AK网页版_ak(中国)官网 Copyright © 2022 All Rights Reserved 浙ICP备07504362号-1号 浙公网安备 33018202000101号
技术支持:鼎易科技